DIY Custom Flasher Module
Background
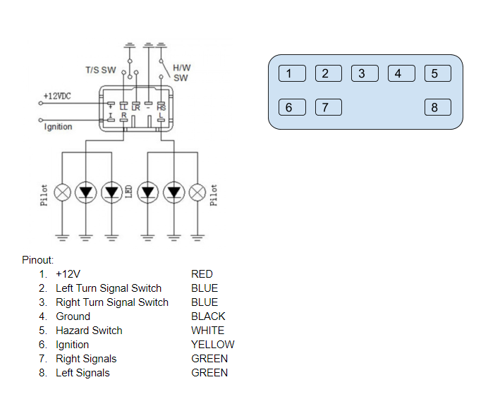
The inspiration for this project came from a post on the Subaru Outback forums about this custom flash module that added extra functionality to the turn/hazard module such as One Touch signaling, approach lighting, strobing, and more. I did some research on how the flash module functions and learned that they are fairly universal devices, meaning that the way they interface with the car is incredibly simple. No serial communication with the module, just simple active-low switches and direct connections to the signaling system in the car.


After discovering this I decided it would be pretty simple and easy to create a custom module using simple relays and an arduino that could implement any signal functionality that I wanted. Below is some information on my progress on doing just that.
Wiring a breakout connector for testing

Constructing custom flasher breakout by reusing the connector from a flasher module.

Rear of custom breakout connector

Front of custom breakout connector
I bought an extra flasher module from the local junkyard and wired it up as a breakout connector for testing on the car so I can better understand how it works. My testing on the car confirmed that the schematic I had found online matched the functionality in my car.
Update (2020):
I did a fair bit of hardware development for this project, including wiring the setup to and arduino and relay board, but ultimately lost motivation, caved, and purchased the tapturn module online. I believe the original creator has passed away so they can only be found in stock of resellers. I’m super happy with the tapturn module however, it works great and was seamless to install.

Flasher schematic and pinout with wire colors